Магазин запчастей для бытовой техники - Arlos
Москва
close
Выберите ваш регион
АбаканАлександровАльметьевскАнгарскАрзамасАрмавирАртемАрхангельскАстраханьАчинскБалаковоБалашихаБеларусьБелгородБердскБерезникиБийскБлаговещенскБратскБрянскВеликий НовгородВидноеВладивостокВладикавказВладимирВолгоградВолгодонскВолжскийВологдаВолховВоркутаВоронежВоскресенскВыборгГатчинаГеленджикГрозныйДедовскДербентДзержинскДзержинскийДимитровградДмитровДолгопрудныйДомодедовоДонецкЕвпаторияЕгорьевскЕкатеринбургЕлецЕссентукиЖелезногорскЖелезнодорожныйЖуковскийЗеленоградЗлатоустИвановоИвантеевкаИжевскИркутскИстраЙошкар-ОлаКазаньКалининградКалугаКаменск-УральскийКамышинКаспийскКемеровоКерчьКировКисловодскКлинКовровКоломнаКомсомольск-на-АмуреКопейскКоролёвКостромаКотельникиКрасногорскКраснодарКраснознаменскКрасноярскКурганКурскКызылЛенинск-КузнецкийЛипецкЛобняЛыткариноЛюберцыМагнитогорскМайкопМалаховкаМахачкалаМиассМоскваМурманскМуромМытищиНабережные ЧелныНазраньНальчикНаро-ФоминскНахабиноНаходкаНевинномысскНефтекамскНефтеюганскНижневартовскНижнекамскНижний НовгородНижний ТагилНовокузнецкНовокуйбышевскНовомосковскНовороссийскНовосибирскНовоуральскНовочебоксарскНовочеркасскНовошахтинскНовый УренгойНогинскНорильскНоябрьскОбнинскОдинцовоОктябрьскийОмскОрелОренбургОрехово-ЗуевоОрскПавловский ПосадПензаПервоуральскПермьПетрозаводскПетропавловск-КамчатскийПодольскПрокопьевскПсковПушкиноПятигорскРаменскоеРеутовРостов-на-ДонуРубцовскРыбинскРязаньСакиСалаватСамараСанкт-ПетербургСаранскСаратовСевастопольСеверодвинскСеверскСергиев ПосадСерпуховСимферопольСмоленскСосновый БорСочиСтавропольСтарый ОсколСтерлитамакСтупиноСургутСызраньСыктывкарТаганрогТамбовТверьТихвинТольяттиТомилиноТомскТроицкТулаТюменьУлан-УдэУльяновскУссурийскУсть-ИлимскУфаУхтаФеодосияФрязиноХабаровскХанты-МансийскХасавюртХимкиЧебоксарыЧелябинскЧереповецЧеркесскЧеховЧитаШахтыЩелковоЭлектростальЭлистаЭнгельсЮжно-СахалинскЯкутскЯлтаЯрославль
  • - бесплатно по РФ
    Автоперезвон. Работает по принципу: Вы позвонили на номер, мы сбрасываем звонок и перезваниваем через 3 секунды.
  • - по Москве
  • 8 (925) 663-83-63

Call-центр

пн-вс: 10:00-19:00

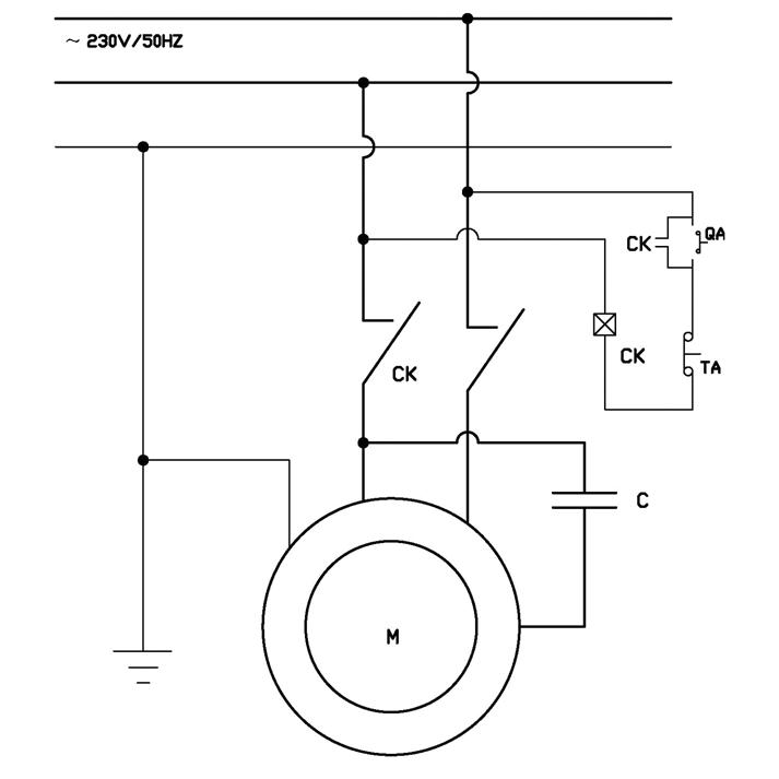
Электроплиткорез ЭП-200-1000Н

Данная модель имеет несколько схем

NАртикулНазваниеСрок отгрузкиЦенаКупить
1 N000-021-944 Винт
2 N000-021-945 Кожух защитный
2 N000-021-945-2 Кожух защитный
3 N000-021-946 Гайка
4 N000-021-872 Фланец внешний D50x25.4 N000-021-872 для ЭП-200-800С, СП-620 148 р.
5 N000-021-871 Диск 200x25.4x2.4mm
6 N000-021-869 Фланец внутренний D50x25.4 N000-021-869 для ЭП-200-800С, СП-620 148 р.
7 N000-021-947 Прокладка
8 N000-021-948 Ножки
9 N000-021-949 Поддон 729 р.
10 N000-021-950 Винт
10 V000-003-284 Выключатель электромагнитный V000-003-284 для ЗЭП-1100С, ЭП-200-1000Н, СП-620 490 р.
11 V000-003-314 Выключатель электромагнитный KJD6 6А 250В с накладкой в сборе 519 р.
12 N000-021-952 Винт
14 N000-021-953 Воротник шнура
15 N000-021-954 Винт
16 N000-021-955 Шайба
17 N000-021-956 Клемник
18 N000-021-957 Гайка
19 N000-021-958 Прижим шнура
20 N000-021-959 Шайба
21 N000-021-960 Винт
22 N000-021-961 Основание 1.548 р.
23 N000-021-962 Винт
24 N000-021-963 Ручка
25 V000-006-345 Шнур сетевой H05RN-F Rubber 3Gх0.75мм2 2м
26 N000-021-965 Винт
27 N000-021-966 Крышка конденсатора
28 V000-007-544 Конденсатор 25мкФ 450В 406 р.
29 N000-021-967 Винт
30 N000-021-968 Шайба
31 N000-021-969 Клемник
32 N000-021-970 Шайба
33 N000-021-971 Винт
34 N000-021-972 Коробка конденсатора
35 N000-021-973 Винт
36 N000-021-974 Шайба
37 N000-021-975 Прижим
38 N000-021-976 Кольцо уплотнительное
39 N000-021-977 Провод
40 V000-001-708 Двигатель АД в сборе
40.A N000-021-930 Ротор АД 1.623 р.
40.B N000-021-978 Статор АДС 4.039 р.
41 N000-021-979 Кожух защитный задний
42 N000-021-980 Удлинитель толешницы
43 N000-021-981 Винт
44 N000-021-982 Направляющая
45 N000-021-983 Винт-барашек 25 р.
46 N000-021-984 Упор
47 N000-021-985 Стол рабочий 9.888 р.
48 N000-021-986 Винт
49 N000-021-987 Пластина
50 N000-021-988 Стойка защитного кожуха
51 N000-021-989 Винт
52 N000-021-990 Гайка
53 N000-021-991 Винт-барашек
54 N000-021-992 Кожух защитный
55 N000-021-993 Гайка-барашек 63 р.
56 N000-021-994 Кронштейн профиля 608 р.
57 N000-021-995 Профиль направляющий 1.159 р.
58 N000-021-996 Пластина монтажная 136 р.
59 N000-021-997-2 Упор угловой 250 р.
59 N000-021-997 Уголок 136 р.
60 N000-021-998 Винт-барашек 25 р.
61 N000-021-999 Винт 14 р.
62 N000-022-000 Винт-барашек
63 N000-022-001 Шайба
64 N000-022-002 Блок натяжной 1.074 р.
Найдено товаров: 68
1
▲ Наверх
0
8 (925) 663-83-63

Call-центр

пн-вс: 10:00-19:00

НАЙТИ ПО МОДЕЛИ
Введите номер заказа
Введите номер своего заказа, что бы узнать его текущий статус.
Что бы получить доступ к расширенным функциям, пройдите не сложную регистрацию. Зарегистрироваться