Магазин запчастей для бытовой техники - Arlos
Москва
close
Выберите ваш регион
АбаканАлександровАльметьевскАнгарскАрзамасАрмавирАртемАрхангельскАстраханьАчинскБалаковоБалашихаБеларусьБелгородБердскБерезникиБийскБлаговещенскБратскБрянскВеликий НовгородВидноеВладивостокВладикавказВладимирВолгоградВолгодонскВолжскийВологдаВолховВоркутаВоронежВоскресенскВыборгГатчинаГеленджикГрозныйДедовскДербентДзержинскДзержинскийДимитровградДмитровДолгопрудныйДомодедовоДонецкЕвпаторияЕгорьевскЕкатеринбургЕлецЕссентукиЖелезногорскЖелезнодорожныйЖуковскийЗеленоградЗлатоустИвановоИвантеевкаИжевскИркутскИстраЙошкар-ОлаКазаньКалининградКалугаКаменск-УральскийКамышинКаспийскКемеровоКерчьКировКисловодскКлинКовровКоломнаКомсомольск-на-АмуреКопейскКоролёвКостромаКотельникиКрасногорскКраснодарКраснознаменскКрасноярскКурганКурскКызылЛенинск-КузнецкийЛипецкЛобняЛыткариноЛюберцыМагнитогорскМайкопМалаховкаМахачкалаМиассМоскваМурманскМуромМытищиНабережные ЧелныНазраньНальчикНаро-ФоминскНахабиноНаходкаНевинномысскНефтекамскНефтеюганскНижневартовскНижнекамскНижний НовгородНижний ТагилНовокузнецкНовокуйбышевскНовомосковскНовороссийскНовосибирскНовоуральскНовочебоксарскНовочеркасскНовошахтинскНовый УренгойНогинскНорильскНоябрьскОбнинскОдинцовоОктябрьскийОмскОрелОренбургОрехово-ЗуевоОрскПавловский ПосадПензаПервоуральскПермьПетрозаводскПетропавловск-КамчатскийПодольскПрокопьевскПсковПушкиноПятигорскРаменскоеРеутовРостов-на-ДонуРубцовскРыбинскРязаньСакиСалаватСамараСанкт-ПетербургСаранскСаратовСевастопольСеверодвинскСеверскСергиев ПосадСерпуховСимферопольСмоленскСосновый БорСочиСтавропольСтарый ОсколСтерлитамакСтупиноСургутСызраньСыктывкарТаганрогТамбовТверьТихвинТольяттиТомилиноТомскТроицкТулаТюменьУлан-УдэУльяновскУссурийскУсть-ИлимскУфаУхтаФеодосияФрязиноХабаровскХанты-МансийскХасавюртХимкиЧебоксарыЧелябинскЧереповецЧеркесскЧеховЧитаШахтыЩелковоЭлектростальЭлистаЭнгельсЮжно-СахалинскЯкутскЯлтаЯрославль
  • - бесплатно по РФ
    Автоперезвон. Работает по принципу: Вы позвонили на номер, мы сбрасываем звонок и перезваниваем через 3 секунды.
  • - по Москве
  • 8 (925) 663-83-63

Call-центр

пн-вс: 10:00-19:00

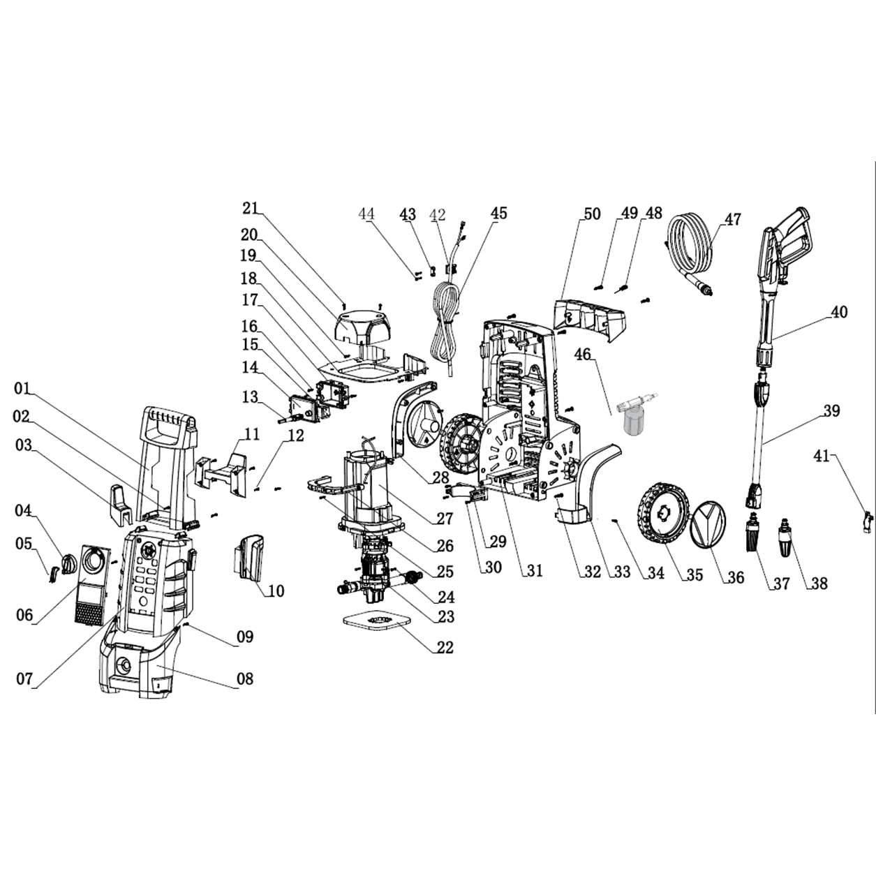
Мойка высокого давления АВД-160

Данная модель имеет несколько схем

NАртикулНазваниеСрок отгрузкиЦенаКупить
1.01 N000-038-473 Штуцер выходной
1.02 N000-038-474 Пружина D10.5xh12
1.03 N000-023-089 Кольцо уплотнительное D22x2.4mm 88 р.
1.03 U009-629-RS0 Подшипник шариковый 629-2Z (26х9х8) U009-629-RS0 294 р.
1.04 N000-038-475 Клапан обратный D11х22 в сборе 133 р.
1.05 N000-038-476 Поршень обратного клапана в сборе 450 р.
1.06 N000-023-102 Корпус помпы N000-023-102 для моек АВД-160, АВД-П180, HPW-180B 568 р.
1.07 N000-013-921 Шайба гровер D6
1.09 N000-023-120 Крышка клапана 52 р.
1.10 N000-023-119 Кольцо уплотнительное D12x1.9мм 55 р.
1.11 N000-038-477 Клапан входной в сборе
1.11-12 N000-038-456 Набор клапанов в сборе(EV11-12) 3+3 206 р.
1.12 N000-038-478 Клапан выходной в сборе
1.13 N000-038-479 Кольцо уплотнительное 14 р.
1.15 N000-023-103 Кольцо уплотнительное D18x2.4мм 88 р.
1.16 N000-038-480 Штуцер входной L93 M26X1.75/M16X1.5
1.17 N000-022-947 Фильтр сетчатый 25 р.
1.18B N000-023-124 Кольцо уплотнительное D16x1.9мм N000-023-124 для моек АВД-160, HPW-180B 102 р.
1.19 U582-300-027 Микровыключатель DW-20 14А 250В 1.347 р.
1.19.C N000-038-826 Микровыключатель в сборе (EV 18-20) 778 р.
1.20C N000-023-109 Кольцо уплотнительное D22x1.9мм 25 р.
1.21 N000-023-323 Основание помпы 361 р.
1.22 N000-023-114 Кольцо уплотнительное D58x2.65мм 55 р.
1.23 N000-039-006 Кольцо уплотнительное плунжера D18xd12x4мм
1.23-28 N000-038-459 Набор уплотнений плунжера(EV24-29) 3шт. 332 р.
1.25 N000-023-123 Направляющая плунжера D26xd12 55 р.
1.27 N000-038-484 Направляющая плунжера
1.28 N000-023-017 Сальник D20xd12x5 55 р.
1.29 N000-023-126 Пружина плунжера D23xh32 91 р.
1.30 N000-023-127 Плунжер D19х49 144 р.
1.32 N000-023-062 Подшипник аксиальный 51107B (52х23(35)х13) XCF 959 р.
1.34 N000-013-932 Шайба гровер D8 37 р.
1.35 N000-020-872 Шайба D8 92 р.
1.36 N000-023-130 Толкатель плунжеров 133 р.
1.37 U009-630-3RS Подшипник шариковый 6303-2RS (47х17х14) K&U 383 р.
1.38 N000-022-967 Сальник D30xd20x9 104 р.
1.39 N000-023-133 Корпус толкателя
1.39C N000-023-133-2-C Корпус толкателя в сборе с валом и шестерней
1.42 N000-023-134 Вал
1.43 N000-023-135 Шестерня 282 р.
1.45 N000-023-136 Кольцо уплотнительное D68.6хd65хh1.8 55 р.
1.46 V000-001-729 Двигатель КД в сборе 5.956 р.
1.46.1 N000-038-520 Щетка графитовая (пара) 7.3х13х25 в сборе с щеткодержателями 353 р.
2.01 N000-038-485 Ручка
2.03 N000-038-432 Крюк для кабеля
2.04 N000-038-486 Переключатель (поворотная ручка)
2.05 N000-038-487 Планка
2.06 N000-038-488 Панель декоративная
2.07 N000-038-489 Корпус передняя верхняя часть
2.08 N000-038-490 Корпус передняя нижняя часть 9.019 р.
2.10 N000-038-491 Держатель пистолета
2.11 N000-038-492 Крюк шланга
2.13 N000-038-493 Шток переключателя
2.14 N000-038-494 Корпус распределительной коробки
2.15 V000-003-501 Выключатель AD-0118-02-01/250V 18A 168 р.
2.17 N000-038-495 Короб распределительный
2.18 N000-038-496 Панель приборная
2.20 N000-038-497 Крышка
2.22 N000-038-498 Прокладка
2.26 N000-038-499 Скоба фиксирующая
2.27 N000-038-500 Корпус двигателя
2.29 N000-038-502 Кожух помпы
2.31 N000-038-503 Корпус задняя часть
2.33 N000-038-504 Арка колесная правая
2.35 N000-038-505 Колесо
2.36 N000-038-506 Колпак колеса
2.37 N000-038-507 Насадка
2.38 N000-038-508 Насадка 3 в 1 102 р.
2.39 N000-038-515 Трубка распылительная
2.40 N000-038-439 Пистолет AG1175
2.40.1 N000-038-418 Клапан пистолета AG1175 488 р.
2.41 U353-110-055 Конденсатор 0.22 мкФ 92 р.
2.45 V000-006-349 Шнур сетевой ZUBR, H07RN-F, Rubber, 3G 1.0mm2, 5m 674 р.
2.46 N000-038-511 Пеногенератор
2.47 70411-180-5 Шланг высокого давления 1.877 р.
2.48 N000-023-191 Игла чистящая 55 р.
2.50 N000-038-513 Держатель акссесуаров
2.51 70402 Фильтр тонкой очистки
Найдено товаров: 78
1
▲ Наверх
0
8 (925) 663-83-63

Call-центр

пн-вс: 10:00-19:00

НАЙТИ ПО МОДЕЛИ
Введите номер заказа
Введите номер своего заказа, что бы узнать его текущий статус.
Что бы получить доступ к расширенным функциям, пройдите не сложную регистрацию. Зарегистрироваться